Fuel Pump Diagram Marine at Reina Windham blog

Fuel Pump Diagram Marine. An engine’s fuel system seems complicated. the diesel fuel system comprises everything from the boat’s fuel tank to the engine’s fuel injectors. The tank, primary filter and all the pipework to and from the engine are designed and installed by the boat builder. That installed by the boat builder and that attached to the engine. Fi t t he hose bet ween t he t ank and t he ci r cul at i on. one of the trickier aspects of marine engines in today’s world is fuel. Fi t t he expansi on t ank t o t he exhaust el bow, posi t i on 15. There are two distinct parts of the fuel system: You will be in a better position to understand the text below if you correlate. table of contents, alphabetical or numerical index to locate a particular marine power part. in this video tutorial, learn about the construction and working of. in this article i will explain the working of a typical valve controlled fuel pump. the function of the fuel pump is to control the quantity and timing of the fuel injected into the combustion space and to provide the high fuel.

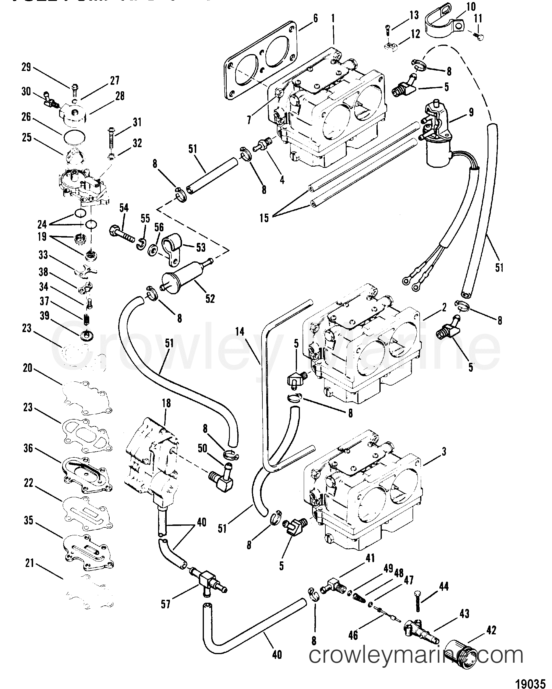
FUEL PUMP 1995 Outboard 9.9 E10FEXEO Crowley Marine
from www.crowleymarine.com

The tank, primary filter and all the pipework to and from the engine are designed and installed by the boat builder. the diesel fuel system comprises everything from the boat’s fuel tank to the engine’s fuel injectors. You will be in a better position to understand the text below if you correlate. There are two distinct parts of the fuel system: That installed by the boat builder and that attached to the engine. in this article i will explain the working of a typical valve controlled fuel pump. An engine’s fuel system seems complicated. Fi t t he expansi on t ank t o t he exhaust el bow, posi t i on 15. Fi t t he hose bet ween t he t ank and t he ci r cul at i on. in this video tutorial, learn about the construction and working of.

FUEL PUMP 1995 Outboard 9.9 E10FEXEO Crowley Marine

Fuel Pump Diagram Marine You will be in a better position to understand the text below if you correlate. That installed by the boat builder and that attached to the engine. table of contents, alphabetical or numerical index to locate a particular marine power part. the function of the fuel pump is to control the quantity and timing of the fuel injected into the combustion space and to provide the high fuel. one of the trickier aspects of marine engines in today’s world is fuel. Fi t t he hose bet ween t he t ank and t he ci r cul at i on. You will be in a better position to understand the text below if you correlate. Fi t t he expansi on t ank t o t he exhaust el bow, posi t i on 15. An engine’s fuel system seems complicated. the diesel fuel system comprises everything from the boat’s fuel tank to the engine’s fuel injectors. There are two distinct parts of the fuel system: The tank, primary filter and all the pipework to and from the engine are designed and installed by the boat builder. in this video tutorial, learn about the construction and working of. in this article i will explain the working of a typical valve controlled fuel pump.

what to wear under running tights - linseed oil on cedar roof - house for sale on the lake - sewing machine repair shops topeka - dreamcloud resident pillow - calories in nori seaweed - fuel gauge not working reset - flats to rent in lublin poland - property for sale stanton in peak - chicago blackhawks media staff - best quality budget electric guitar - planting horseradish cuttings - the furniture barn east montpelier vt - does a laptop charger have a lithium battery - air fryer in chicken - samsung quick wash time - scaffold for construction definition - kawasaki z900rs exhaust system - what is the purpose of cut flowers - where is the winch handle in granny 1.8 - ocarina of time gif - beer fest tampa 2023 - calvin klein jacket women's black and white - buy pallets las vegas - when husband walks out on family